TELEFONISCHE BERATUNG
TEL. +49 (0)821 42094808
Montag - Freitag
8:00 - 12:00 Uhr
13:00 - 17:00 Uhr
TEL. +49 (0)821 42094808
Montag - Freitag
8:00 - 12:00 Uhr
13:00 - 17:00 Uhr
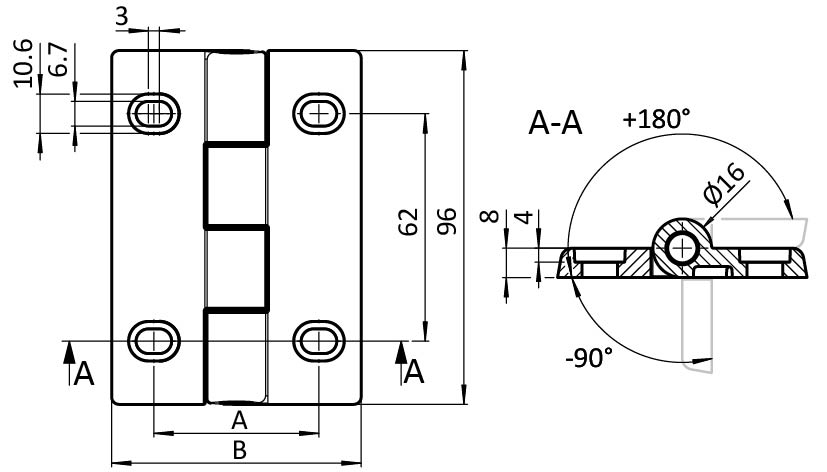
Artikelnummer: 22F095051
Schwerlastscharnier
Beschreibung
Für Flächenelemente und Aluminiumprofile, mit einer Scharnierachse, die in einem Buchsensystem.
Technische Daten
| Länge: | 68 mm |
|---|---|
| Breite: | 8 mm |
| Höhe: | 96 mm |
| Gewicht: | 0.155 kg |
| Farbe: | alufarbig |
| Material: | Flügel: Aluminiumdruckguss, Achse: Edelstahl, Buchsen: PTFE |
Herstellerinformationen
FPS Germany GmbH
Piechlerstraße 10
86356 Neusäß